欢迎您访问无锡市锡山雪浪化工设备有限公司的官方网站!
具有一.二.三类压力容器制造许可证 (编号:TS2210836-2016)
网站首页
客户反馈
加入收藏
网站地图
公司首页
企业概况
关于我们
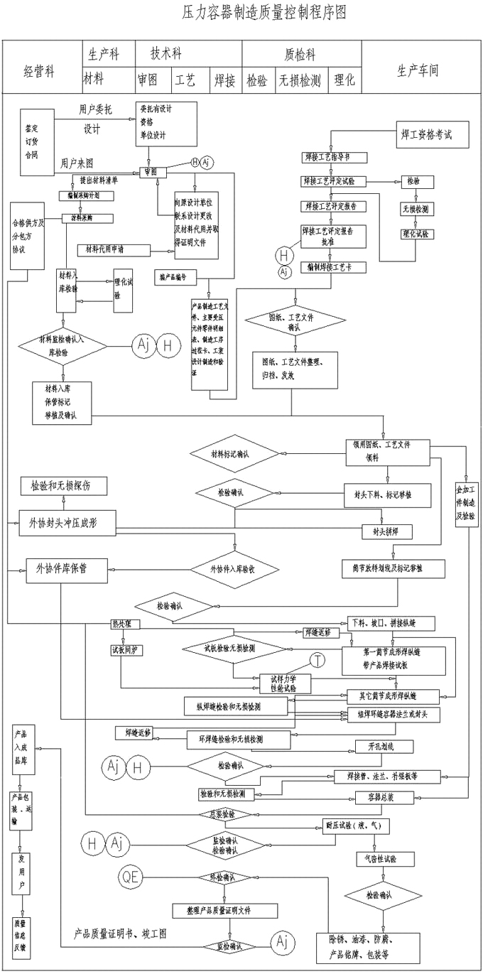
工艺流程
现场案例
对外交流
资质荣誉
产品展示
反应釜 树脂设备系列
列管冷凝 螺旋板换热器
刮板式薄膜蒸发器系列
切片机 真空耙式干燥机
塔类回收设备系列
化工填料系列
化工储罐系列
发酵罐 多功能提取罐系列
工程业绩
工程业绩
技术装备
新闻动态
行业新闻
公司新闻
客户反馈
联系我们
企业概况
关于我们
工艺流程
现场案例
对外交流
无锡市锡山雪浪化工设备有限公司
宜兴厂址:
宜兴市周铁镇竺西工业园兴达路8号
副总经理:周世权
手机:13606194305
电话:0510-85188633
传真:0510-85181633
邮箱:xlhgzb@163.com
网址:www.xlhgzb.com
您现在所在的位置:
首页
> 工艺流程
Copyright © 2026
无锡市锡山雪浪化工设备有限公司
http://m.xlhgzb.com/ 版权所有 未经许可不得使用、转载、摘编。
苏ICP备18065342号-1
新闻动态
联系我们
站点地图
本站关键词:
外盘管反应釜|不锈钢反应锅|电加热反应锅|外盘管反应锅|列管冷凝器|列管式冷凝器|不锈钢冷凝器|刮板薄膜蒸发器|刮板式薄膜蒸发器|不饱和树脂设备|无锡|江苏|浙江|广东|上海|河南|北京|安徽|参数|报价|多少钱|公司|供应|厂家|型号|价格